PROTOCOLO CAN BUS sin acceso cero respuesta, no inicia motor perdida en tablero "P, R N D L" DTC´s U1001 U1000 modulo bolsas airbag nissan los únicos cód U1000 is a common issue among the following makes Nissan (especially on a Nissan Murano), Infiniti, Chevrolet, and Cadillac Note The definition of code U1000 will vary depending on the auto manufacturerNissan 0307 murano U1000 is a manufacturerspecific trouble code It is very common to see in the Nissan XTrail, and any other Nissanmade vehicles (Nissan or Infiniti) How the XTrail's CAN Bus System Works Before jumping into figuring out what is causing U1000 in your Nissan XTrail, it's important to have an understanding of the CAN bus system 0306 Nissan Murano Nissan Factory Service Bulletin OBDII Code U1000 The service bulletin suggests cleaning engine and body
Nissan Archives Chad S Automotive Clinic
U1000 nissan murano 2006
U1000 nissan murano 2006-06 Nissan Murano Predicted Service Costs Assuming typical miles & conditions $1250 Service Cost for 5 years This is an estimate of what you might expect to pay for routine maintenance andNissan murano 06 نيسان مورانو 06 gcc orange km خليجي برتقالي قاطع كم price السعر at sama alsham used cars for sale تقديم تسهيلات بنكية من دون الدفعة للأولى للبنك الى زبائنا الكرام banking facilities without the need for a



07 Nissan Murano With Code U1000 Nissan Murano Forum
OBD II fault code U1000 is a manufacturer specific code that is defined by carmaker Nissan as "CAN Communication Line – Signal Malfunction"*, and is set on Nissan applications when the PCM (Powertrain Control Module) detects a break in communication over the CAN bus system for a period of longer than 2 secondsEdmunds' expert review of the Used 06 Nissan Murano provides the latest look at trimlevel features and specs, performance, safety, and comfort At Edmunds we drive every car we reviewThere is a service bulletin for the following Nissan models with U1000 code 06 Nissan Maxima 0406 Nissan Titan 0406 Nissan Armada 06 Nissan Sentra 0506 Nissan Frontier 06 Nissan Altima 0506 Nissan Xterra 0506 Nissan Pathfinder 0406 Nissan Quest 0306 Nissan 350Z 0306 Nissan Murano
U1000 code (06 Nissan Maxima) i have lost all gauges and will not start now from reading it sounds like it is a ground problem I need to know where this ground is I think it is behind the dash but There is a service bulletin for the following Nissan models with U1000 code 06 Nissan Maxima 0406 Nissan Titan 0406 Nissan Armada 06 Nissan Sentra 0506 Nissan Frontier 06 Nissan Altima 0506 Nissan Xterra 0506 Nissan Pathfinder 0406 Nissan Quest 0306 Nissan 350Z 0306 Nissan MuranoU1000 Nissan Beskrivning CAN (Controller Area Network) är en seriell kommunikationslinje för realtidsapplikation Det är en multiplex kommunikationslinje på fordon med hög datakommunikationshastighet och utmärkt feldetekteringsförmåga Många elektroniska styrenheter är utrustade med ett fordon, och varje styrenhet delar information
The following TSBs of Nissan are related to DTC U1000 02 Nissan Altima Engine and Engine Cooling TSB Details 06 Nissan Murano Electrical System TSB Details2795K posts 338K members Join Community Top Contributors this Month View All MuranoSL03 81 Replies Pilgrim 44 Replies Cryogenix1 42 Replies Murano 06 Nissan Murano 35LI nee to perform smog check 06 Nissan Murano 35L I nee to perform smog check but have a lot of trouble codes, the firs scan show me P1148, p1168, P0037, P0057, P0031, P0051, P0725, P0703, U1000, after reset the computer, take




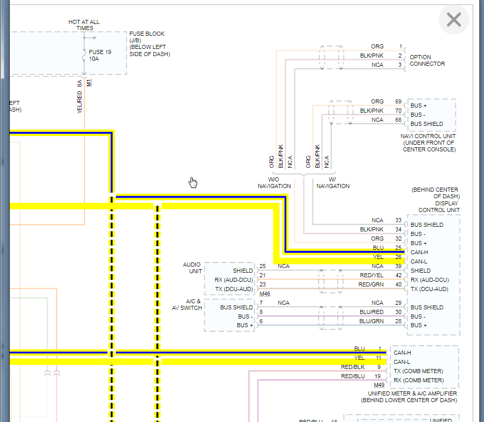
07 Nissan Murano Repair Manual Lan System Section Lan Page 75 Pdf



Intelligent Key And m Troubleshooting
U1000 NISSAN CAN Communication Line Signal Malfunction Usually, the problem is poor harness ground connection There is a service bulletin for the following Nissan models with U1000 code 06 Nissan Maxima 0406 Nissan Titan 0406 Nissan Armada 06Browse Nissan Murano for Sale (New and Used) listings on Carscoza, the latest Nissan news, reviews and car information Everything you need to know on one page!Nissan Maxima / 06 Nissan Maxima / U1000 code;



Nissan Archives B C Auto Repair




Nissan Murano U1000 Meaning Causes Diagnosis Drivetrain Resource
Jetzt Nissan Murano 06 bei mobilede kaufen Finden Sie viele günstige Auto Angebote bei mobilede – Deutschlands größtem Fahrzeugmarkt We recommend Torque Pro What Does Code U1000 Mean?Find the best used 06 Nissan Murano near you Every used car for sale comes with a free CARFAX Report We have 97 06 Nissan Murano vehicles for sale that are reported accident free, 21 1Owner cars, and 151 personal use cars




P1212 U1001 Codes The Nissan Club



Code P0021 How To Troubleshoot And Fix Nissan Frontier Forum
0306 Nissan Murano Nissan Factory Service Bulletin OBDII Code U1000 The service bulletin suggests cleaning engine and body harness ground connection to repair the problemIf you are looking for a Nissan Murano 06 for sale in Jamaica, you are at the right place!I have a nissan murano 05 and recently had codes shown on a diagnostic checkJust purchased the car in July am wondering how sever they areP0011, P0021, P0725, U1000, P1726, P1701, P0615 and P0 read more




U1000 Nissan Murano




U1001 Nissan Patrol
U1000 NISSAN Tech notes Usually the problem is poor harness ground connection There is a service bulletin for the following Nissan models with U1000 code 06 Nissan Maxima 0406 Nissan Titan 0406 Nissan Armada 06 Nissan Sentra 0506 Nissan Frontier 06 Nissan Altima 0506 Nissan Xterra 0506 Nissan Pathfinder 0406 Nissan Quest 0306 NissanNissan U1000 OBDII Code Description And Diagnostic Procedure Possible causes – Controller Area Network (CAN) communication harness is open or shorted – Faulty Engine Control Module (ECM) – Poor harness ground connection Notes Usually the problem is poor harness ground connection The Nissan U1000 OBD2 Code Information Be Applicable For The Nissan Murano Raymond Boyd/Getty Images CarComplaintscom compiles all ownerreported problems for specific vehicles, and in its model year comparison of the Nissan Murano, it's easy to see where Nissan nailed it and where it failedThough the 04 Murano model year earns the most complaints at 134, it's not the model year Car Complaints says to avoid




U1000 Code Manufacturer Specific Network Communication Code In The Garage With Carparts Com




Nissan Altima Questions Car Will Not Accelerate While In Drive Or Reverse Cargurus
Nissan Murano mellanstorlek crossover SUV, tillverkad och marknadsförd av Nissan sedan maj 02, för modellår 03 Första generationen (Z50) tillverkades 02–07 Nissan Murano är ett av de största fordon som använder en steglös automatisk växellåda (CVT) Den är som standard framhjulsdriven, men finns även i allhjulsdriftvariant U1000 06 Nissan Altima Sedan Can Communication Line Mojave Road 0421 0422 Page 3 Second Generation Nissan Nissan Murano Crankshaft Sensor Wire Harness Color Diagram 06 Altima Ser 35l V6 5 Speed Auto Codes U1000 And Po726 Download Mp3 U1000 Nissan 18 FreeI have a 08 Nissan Pathfinder SE 40L V6 Forum AutoCodescom Posted By AutoCodescom Post Time at




07 Nissan Murano Repair Manual Lan System Section Lan Page 12 Pdf




Nissan Obd Ii Diagnostic Interface Pinout Diagram Pinoutguide Com
K dispozici je servisní bulletin pro následující modely Nissan s kódem U1000 06 Nissan Maxima 0406 Nissan Titan 0406 Nissan Armada 06 Nissan Sentra 0506 Nissan Frontier 06 Nissan Altima 0506 Nissan Xterra 0506 Nissan Pathfinder 0406 Nissan Quest 0306 Nissan 350Z 0306 NissanLearn more about the 06 Nissan Murano Get 06 Nissan Murano values, consumer reviews, safety ratings, and find cars for sale near you Code U1000 Quote Postby Max2M35 » Sat 2 pm So, I just recently replaced the TCM and Valvebody on my 06 35 With the original TCM, it was slipping left and right and having trouble going Period Replaced the TCM, and that issue went away and it goes into 1st and 2nd but stays in second It's also throwing the U1000 code




R2wzahrofnnfmm



Codigo U1000 Nissan Nut Hardware Screw
This video shows how to repair a Nissan Murano CVT TransmissionThere is a service bulletin for the following Nissan models with U1000 code 06 Nissan Maxima 0406 Nissan Titan 0406 Nissan Armada 06 Nissan Sentra 0506 Nissan Frontier 06 Nissan Altima 0506 Nissan Xterra 0506 Nissan Pathfinder 0406 Nissan Quest 0306 Nissan 350Z 0306 Nissan Murano Nissan Service Bulletin Code U1000TSB List for the 06 Nissan Murano SERVICE INFORMATION Related to communication codes U1000, U1001, U1002, U1010 Always diagnose the communication codes first




06 Nissan Murano Awd Indicator Light Stays On It Is The Light That Is On The Dash Changed The Passenger Side Bearing



Ecm Ground Wire Photos U1000 P1722 P0725 Nissan Murano Forum
– 0306 Nissan 350Z – 0306 Nissan Murano Service bulletin suggests cleaning engine and body harness ground connection to repair the problem U1000 NISSAN CAN Communication Line Signal Malfunction Nissan MAF Fault P0100 Diagnose and Reset Engine Light Autel AL319 06 Nissan Maxima Factory Service Bulletin OBDII Code U1000 Usually, the problem is poor harness ground connection The service bulletin suggests cleaning engine and body harness ground connection to repair the problem Loosen the ground connectors clean them with sandpaper on the connector side and body side and retighten the bolts back06 Nissan Altima Factory Service Bulletin OBDII Code U1000 Usually, the problem is poor harness ground connection The service bulletin suggests cleaning engine and body harness ground connection to repair the problem Loosen the ground connectors clean them with sandpaper on the connector side and body side and retighten the bolts back



U1000 Nissan Can Communication Line Signal Malfunction Obd Ii Codes Obd 2 Codes




Nissan Fried Tcm No Start Issue Youtube
The 06 Nissan Murano crossover sport utility vehicle continues to combine innovative design and multipurpose SÚV functionality with sport sedanlike ride and performance Murano is powered by a 35liter DOHC V6, rated at 245 horsepower* and 246 lbfit of torque The engine is mated to Nissans advanced Xtronic CVT (Continuously VariableAnswered What does code U1000 mean? I went to Nissan today and they checked the SES code Turns out it was code U1000 communication failure, ECM ground failure They removed the dash and cleaned contacts at ECM and harness and secured connections All is going well so far Seems to have fixed my problem Tech said that the murano was well known to have electrical problems of this




U1000 Code What Does It Mean How To Fix It Obd2pros



Q Tbn And9gcrez08smf2tzhadzsxgpycg6h45 14lazl51nvo0f394ilksi Usqp Cau
Usually the problem is poor harness ground connection There is a service bulletin for the following Nissan models with U1000 code 06 Nissan Maxima 0406 Nissan Titan 0406 Nissan Armada 06 Nissan Sentra 0506 Nissan Frontier 06 Nissan Altima 0506 Nissan XterraShop 06 Nissan Murano Seal Oil, Differential Transmission Case TRANSMISSION CASE & CLUTCH HAUSING, CNVERTER OEM Nissan Part # X00 (343E00, X00) CONFIRM THIS FITS YOUR 06 Nissan Murano 06 Nissan Murano Transmission and Driveline ProductsWith hundreds of cars available at point of time, you can find a wide variety of Nissan Murano 06 on JamaiCarscomThese cars will be different in terms of colors, prices and installed features




U1000 Nissan Can Communication Line Signal Malfunction




U1000 Code Manufacturer Specific Network Communication Code In The Garage With Carparts Com
U1000 is a manufacturerspecific trouble code It is very common to see in the Nissan Murano, and any other Nissanmade vehicles (Nissan or Infiniti) How the Murano's CAN Bus System Works Before jumping into figuring out what is causing U1000 in your Nissan Murano, it's important to have an understanding of the CAN bus systemDescription Used 06 Nissan Murano S with AWD/4WD, Rear Bench Seats, Audio and cruise controls on steering wheel, Auto Climate Control, 3500lb Towing Capacity Engine 6Nissan Murano Forum Since 02 We're a community dedicated to Nissan Murano owners and enthusiasts Discuss specs, safety rating, towing capacity and more!




Nissan Fault Code Initial Start 07 21




07 Nissan Murano Repair Manual Lan System Section Lan Page 62 Pdf



Nissan Archives Chad S Automotive Clinic




Nissan Murano Tpms Sensor Schrader Cd001 Tpmsdirect



1




U1000 Code Manufacturer Specific Network Communication Code In The Garage With Carparts Com




05 Nissan Xterra Dyes Gives A U1000 Code Somte Times Runs Good Then Sometimes Turnsover No Start



1




Reparo Das Falhas De Aterramento Nissan Tiida Dtc U1000 Can Comm Circuit Youtube




U1000 Nissan Murano 06




Nissan Murano Z50 06 Year Manual Part 77




Nissan Murano Z50 06 Year Manual Part 81




04 06 Nissan Murano Fuse Box Ipdm Relay Power Module Oem Part Ebay



U1000 Class 2 Serial Communication Problem Fasrspan




How To Fix A U1000 Code In Your Car Youtube



Ecm Ground Wire Photos U1000 P1722 P0725 Nissan Murano Forum



07 Nissan Murano With Code U1000 Nissan Murano Forum




Codigo U1000 Nissan




P0300 Code Nissan Pathfinder 07 21




Nissan Murano Z50 06 Year Manual Part 72




U1000 Nissan Armada




U1000 U1001 Perdida De Comunicacion Entre Computadora Pcm Y Ecm 02 Nissan Maxima Youtube




Pre And Post Repair Scanning For Better Collision Repair Results Automotive Tech Info




U1000 Nissan Can Communication Line Signal Malfunction Youtube




Used Nissan Murano 3 5 V6 06 Yallamotor Com




Tech Tip Nissan Mil On With Dtc U 1000 Or U 1010 Stored In Ecu Underhoodservice




U1000 Nissan Can Communication Line Signal Malfunction




How To Fix A U1000 Code In Your Car Youtube




Nissan Sectioning Repair Tips Making The Cut Automotive Tech Info




Troubleshooting Nissan Check Engine Light




Nissan Airbag Module Reset Myairbags Airbag Reset Seat Belt Pretensioner Repair




01 Duramax U1000 Code Novocom Top



Solved No Acceleration When Car In Drive 02 06 Nissan Altima Ifixit




U1000 Nissan Can Communication Line Signal Malfunction




Nissan Murano Tpms Sensor Schrader Cd001 Tpmsdirect




U1000 Communication Area Network Can Lost Communication




I Have Diagnosis Code U1001 U1000 Can On My 03 Nissan Pathfinder What Are Those Codes Represent




Mil On With Dtc U1000 Or U1010 Stored In Engine Control Unit




P0603 Code What It Means And How To Fix It Solo Pcms




Tech Tip Nissan Mil On With Dtc U 1000 Or U 1010 Stored In Ecu Underhoodservice



Ecm Ground Wire Photos U1000 P1722 P0725 Nissan Murano Forum




Solved I Have A Nissan Murano 05 With The Code P1701 Fixya



Codigo U1000 Nissan Nut Hardware Screw




07 Nissan Murano Dashboard Degrees Change To Celsius By Tiona Green




07 Murano Mirror Driver Seat Power Pedals Do Not Work Suggestions




U1000 Nissan Code Meaning Causes Symptoms Tech Notes




No Start Code U1000 Abs Controller Area Network Line Malfunction Nissanhelp Com Forums




U1000 Communication Area Network Can Lost Communication




U1000 Nissan Can Communication Line Signal Malfunction




U1000 Can Communication Line Signal Malfunction Nissan Troublecodes Net




03 07 Nissan Murano Negative Cable Ca000 Quirkparts




Code U1001 Cranks Will Not Start U1001 I Have Replaced The Ecu




Codigo U1000 Nissan




U1000 Nissan Can Communication Line Signal Malfunction




Dreaded U1000 Code Second Generation Nissan Xterra Forums



Ecm Ground Wire Photos U1000 P1722 P0725 Nissan Murano Forum




Troubleshooting Nissan Check Engine Light




Codigo U1000 Todas Las Marcas Sintomas Y Soluciones



06 Infiniti M35 Won T Start Nissan Forum Nissan Forums



Nissan Archives Chad S Automotive Clinic



Q Tbn And9gcr Mp8p2gznb7d8hj5c4jmbmsiseu4molttam4m78v4bpwjct Usqp Cau




Tech Tip Nissan Mil On With Dtc U 1000 Or U 1010 Stored In Ecu Underhoodservice




U1000 Nissan Can Communication Line Signal Malfunction




05 Nissan Xterra Dyes Gives A U1000 Code Somte Times Runs Good Then Sometimes Turnsover No Start



07 Nissan Murano With Code U1000 Nissan Murano Forum




03 07 Nissan Murano Negative Cable Ca000 Quirkparts



P1168 And P0051 Second Generation Nissan Xterra Forums




Remanufactured Nissan Cvt Valve Bodies Street Smart Transmission




P0507 And Idle Relearn Procedure Nissan Ricks Free Auto Repair Advice Ricks Free Auto Repair Advice Automotive Repair Tips And How To



U1000 And U1001 Nissan Forum Nissan Forums



Codigo U1000 Nissan Nut Hardware Screw




U1000 Nissan Can Communication Line Signal Malfunction




U1000 Nissan Can Communication Line Signal Malfunction Youtube




Nissan Murano Z50 06 Year Manual Part 64




P0300 Nissan Code Meaning Causes Symptoms Tech Notes With Video



Ecm Ground Wire Photos U1000 P1722 P0725 Nissan Murano Forum




Solved What Is A Vacuum Line In A Nissan Murano Fixya



Grounding Points On 05 02 07 Nissan Murano Ifixit




Code U1001 Cranks Will Not Start U1001 I Have Replaced The Ecu



05 Altima P0335 And P0725 Errors Page 3 Nissanhelp Com Forums



Solved We Have A 06 Nissian Quest With A P1212 And A Fixya




U1000 Nissan Can Communication Line Signal Malfunction Youtube
0 件のコメント:
コメントを投稿